首页
头条资讯
科技IT
商业品牌
产业财经
汽车资讯
生活休闲
宝马新世代概念车全球首发!9月4日亮相慕尼黑车展
华为麒麟9000S是三年前的芯片?博主:说这话的纯小丑
泰国之旅2023:探寻泰国的热门小吃礼品
Breitling百年灵推出延保服务 最高可享8年保修
绿联在阿联酋迪拜电子展上推出电源解决方案和个人数据存储产品
泰国单周损失近30%的中国游客 恶心事件极大的影响了游客的安全感
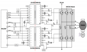
Diodes推出省空间、高电压、双输出、符合汽车规格的霍尔效应传感器可提供准确的速度/方向数据
精选推荐
最新
头条资讯
科技IT
商业品牌
产业财经
汽车资讯
生活休闲
迎接五一假期来临,长沙太平街小吃美食指南:带娃必吃的3家店
2026-04-18
五一假期的打算来长沙的朋友们,聪明的爸妈,都带着娃钻进了太平街的老巷子里,这里没有人山人海,只有满满的老长沙烟火气。每一家都能让娃吃得开心,大人吃得放心,避开所有坑,轻松解锁五一带娃逛吃新姿势!作为带......
三亚天涯区推出公办幼儿园延时托管服务收费标准每人每天10元/小时
2026-04-18
近日,海南省三亚市天涯区教育局出台公办幼儿园延时托管服务方案,面向有需求的在园幼儿提供课后托管服务,破解家长接送难题。 方案明确,延时托管坚持自愿参与、公益普惠原则,服务结束时间原则上不早于17时30分,由园内教职工为主承担服务,可吸纳具......
捷达发布JETTA X概念车预告 大众加码10万级新能源市场
2026-04-18
write_ad("menu_tags_up_button"); CNMO_AD.init();...
@2026北京国际车展,东软邀您莅临共鉴!
2026-04-18
...
2026年在汉诺威开办板材工厂需要满足哪些条件
2026-04-18
2026年,全球板材市场规模预计将突破5000亿美元,欧洲作为高端板材消费核心区域,市场需求年增速保持在3.2%左右。汉诺威凭借便捷的中欧物流枢纽地位、成熟的木材加工产业链以及对绿色建材的......
增长16.6%!湖南外贸一季度“开门红” 经济要闻 华声经济
2026-04-18
华声在线4月17日讯(全媒体记者 彭可心)长沙海关今天召开2026年一季度新闻发布会,今年一季度全省进出口1442.1亿元,同比增长16.6%,其中出口807.3亿元,增长6.3%;进口634.8亿元...
广西中医药产业高质量发展三年行动方案发布力争2028年全产业链总产值突破
2026-04-18
广西中医药产业高质量发展三年行动方案发布力争2028年全产业链总产值突破1100亿元 记者从自治区中医药局获悉,《广西中医药产业高质量发展三年行动方案》于日前正式发布,锚定“转型跨越”核心目标,规划四大专项行动,通过三年攻坚,推动中医药产......
小米汽车变动:胡峥楠出任小米集团副总裁、汽车部CTO
2026-04-18
write_ad("menu_tags_up_button"); CNMO_AD.init();...
从统一底座到AI驱动:紫金矿业全球化与数字化实践
2026-04-18
从统一底座到AI驱动:紫金矿业全球化与数字化实践 财富500强企业紫金集团是全球金属资源控制力最强的企业之一,其海外资产规模宏大,上年度净利润约518亿元。“紫金的成长轨迹可清晰划分为三个‘十年’阶段,每一阶段均标志着企业能级的显著跃升。”在2026年SAP全球运营高峰论坛上,紫金矿业信息总监董文生博士系统阐述了这家中国矿业巨头的演进历程……...
HOLTEK新推出BH66R2040健康测量OTP MCU
2026-04-18
Holtek新推出BH66R2040 Health Measurement OTP MCU,整合各式AFE电路,适用于多功能健康监测仪(血糖、血压、体温等),客户依据各种健康测量产品需求,搭配合适的Holtek 32-bit MCU,弹性的组成相关应用。...
泰格豪雅携品牌大使 帕特里克・德姆西(Patrick Dempsey) 亮相 2026“钟表与奇迹”高级钟表展
2026-04-18
2026 年日内瓦“钟表与奇迹”高级钟表展期间,瑞士先锋制表品牌 TAG Heuer 泰格豪雅欣然宣布,品牌大使及多年挚友、演员帕特里克・德姆西 (Patrick Dempsey) 亲临本届展会品牌展台。...
追觅仿生机械臂扫地机全球累计销量超700万台
2026-04-17
近日,追觅扫地机宣布,搭载追觅全球首创仿生机械臂技术的扫地机产品销量已突破700万台!...
2026 人形机器人半程马拉松完成全流程全要素测试活动
2026-04-17
本届赛事参赛队伍数量超百支,增长近5倍,涵盖自主导航、遥控两大类别,其中自主导航赛队近四成。...
滴滴自动驾驶新一代Robotaxi升级 深化AI投入与全球化布局
2026-04-16
滴滴自动驾驶将以混合网络的业态,持续推进自动驾驶AI技术和汽车形态的进化,加速中国自动驾驶成果全球落地。...
五部门发文规范人工智能拟人化互动服务
2026-04-16
不得向未成年人用户生成可能引发未成年人模仿不安全行为、产生极端情绪、诱导未成年人不良嗜好等内容。...
“太空算力专业委员会”征集首批成员单位,加速形成核心技术体系
2026-04-16
中心聚焦天基AI芯片、太空能源及散热、星座与航天器、空天地算网协同、太空算力应用 五大方向。...
写在可控核聚变百年――太阳的秘密
2026-04-15
1920年代初,英国天体物理学家亚瑟・爱丁顿(Arthur Eddington)面对一个令同行困惑已久的问题:太阳已经燃烧了至少数十亿年,但它用的不可能是煤炭――就算把整个太阳换成煤,也只能燃烧几千年。那么,太阳的能量从哪里来?...
斯坦福报告:专家看好AI,美国民众却越用越慌
2026-04-15
但普通民众更关心的是人工智能对自身收入的影响,以及高耗能数据中心的建设是否会推高电费。...
微软正研发另一款类OpenClaw智能体,将整合进Microsoft 365 Copilot
2026-04-15
OpenClaw 是一款可在用户电脑本地运行的工具,可创建智能体代用户执行任务。近几个月来,微软已发布的多款智能体。...
全球首个!商用服务机器人体验中心在深圳启用
2026-04-14
配送机器人主动问好并完成补货,清洁机器人透明化作业展示,机器狗自主导航与跟随,人形机器人表演武术和投篮。...
千问上线表格Agent:支持从对话直接生成、编辑Excel文件
2026-04-14
系统通常可在1C2分钟内输出可下载的Excel文件,无需二次复制粘贴,并支持通过自然语言进行修改。...
OpenAI收购个人金融初创公司Hiro Finance,实质是人才收购
2026-04-14
Hiro 成立于 2023 年,约五个月前推出了其 AI 工具,为个人消费者提供 AI 驱动的财务规划服务。...
浏览更多
@2026北京国际车展,东软邀您莅临共鉴!
2026-04-18
...
从统一底座到AI驱动:紫金矿业全球化与数字化实践
2026-04-18
从统一底座到AI驱动:紫金矿业全球化与数字化实践 财富500强企业紫金集团是全球金属资源控制力最强的企业之一,其海外资产规模宏大,上年度净利润约518亿元。“紫金的成长轨迹可清晰划分为三个‘十年’阶段,每一阶段均标志着企业能级的显著跃升。”在2026年SAP全球运营高峰论坛上,紫金矿业信息总监董文生博士系统阐述了这家中国矿业巨头的演进历程……...
HOLTEK新推出BH66R2040健康测量OTP MCU
2026-04-18
Holtek新推出BH66R2040 Health Measurement OTP MCU,整合各式AFE电路,适用于多功能健康监测仪(血糖、血压、体温等),客户依据各种健康测量产品需求,搭配合适的Holtek 32-bit MCU,弹性的组成相关应用。...
Altair One:工程AI云平台的革新者
2026-04-17
Altair One是Altair公司推出的面向工程仿真与高性能计算(HPC)领域的统一云平台,代表了工程软件交付模式的范式转移——从本地安装转向云端原生,从工具孤岛转向平台生态,从人工经验驱动转向AI增强决策;其诞生源于Altair在仿真技术领域数十年的深厚积淀。 2026年4月15日,在武汉召开的西门子大中华区Simcenter仿真与……...
致态TiPlus9100震撼发布, PCIe 5.0赛道疾速引擎解锁游戏新体验!
2026-04-17
2026年4月17日,致态TiPlus系列首款PCIe 5.0旗舰产品—TiPlus9100固态硬盘(SSD)震撼发布!得益于长江存储晶栈®Xtacking®4.0架构闪存颗粒加持,致态TiPlus9100固态硬盘的性能实现颠覆性提升,同时兼具出色的功耗表现,可兼容游戏本、轻薄本、DIY台式机等各类设备。...
斯坦福权威报告:阿里AI贡献全球第三、中国第一
2026-04-17
4月16日消息,斯坦福大学人工智能研究所发布了最新一期《2026年人工智能指数报告》,阿里巴巴位列2025年全球顶级模型贡献榜第三名,同时也是入选重要模型最多的中国科技公司。该报告指出,当前中美顶级大模型差距“实质性消除”,头部模型间表现相当,呈并跑态势。报告显示,在前20的AI机构中,中国11家超过美国位居首位。 据了解,《人工智能指数……...
东芝开始提供集成微控制器与电机驱动电路的新一代“SmartMCD™”系列产品的工程样品
2026-04-17
东芝电子元件及存储装置株式会社(“东芝”)今日宣布,推出集成了微控制器(MCU)与电机驱动电路的新一代“SmartMCD™”[1]系列新产品——“TB9M030FG”。...
爱玛科技:基于HyperWorks的电动两轮车多学科仿真与AI融合创新实践
2026-04-17
爱玛科技集团股份有限公司(简称“爱玛科技”)作为电动两轮车行业龙头企业,公司始终以技术创新与品质升级为核心驱动力,持续构建覆盖研发、制造、供应链的全流程数字化体系。依托集团强大的产业布局与技术积淀,爱玛科技不断完善整车性能开发、结构安全、电池系统、智能控制等核心技术能力,在轻量化、安全性、舒适性、耐久性等关键指标上保持行业领先。 在数字化……...
思特威全新推出搭载Lofic HDR® 3.0技术的50MP 1.0μm像素尺寸超高动态范围手机应用CMOS图像传感器
2026-04-17
思特威(上海)电子科技股份有限公司(股票简称:思特威,股票代码:688213)近日宣布,全新推出5000万像素1.0μm像素尺寸超高动态范围手机应用CMOS图像传感器——SC575XS。...
仿真业务份额持续攀升:西门子以工业软件赋能中国制造的“智造”跃迁
2026-04-16
过去五年来,西门子数字化工业软件仿真业务实现强劲增长,已超越传统设计业务跃升至中国区产品营收首位,成为在华业务最重要的增长引擎。 西门子数字化工业软件全球高级副总裁、大中华区董事总经理梁乃明 在西门子数字化工业软件全球高级副总裁、大中华区董事总经理梁乃明看来,这一变化深刻印证:中国制造业正从全球制造工厂,加速转向拥有完整产业链、坚持自主创……...
新升级!研华推出RTXe标准核心板, 以强固可靠赋能工业级应用
2026-04-16
RTX标准是由研华RISC团队主导,联合Arm、NXP、TI等多家嵌入式领域伙伴,于2015年共同发布的一套专为严苛环境设计的嵌入式计算机模块规范。...
浏览更多
捷达发布JETTA X概念车预告 大众加码10万级新能源市场
2026-04-18
write_ad("menu_tags_up_button"); CNMO_AD.init();...
小米汽车变动:胡峥楠出任小米集团副总裁、汽车部CTO
2026-04-18
write_ad("menu_tags_up_button"); CNMO_AD.init();...
海康威视亮相城市基础设施生命线安全建设专题交流会
2026-04-18
近日,由江苏省住房和城乡建设厅指导的“城市基础设施生命线安全建设专题交流会”在南京国际博览中心举行。海康威视受邀参会,副总裁王英杰发表主题演讲《让城市有“视”、有“感”、更有“识”》,从技术视角深度解...
一键开启纯净音质 三星Galaxy S26系列“音频橡皮擦”体验升级
2026-04-17
write_ad("menu_tags_up_button"); CNMO_AD.init();...
《城市生命线工程物联设备检测认证规范》第三次研讨会在海康威视举行
2026-04-17
近日,海康威视作为参编单位承办的《城市生命线工程物联设备检测认证规范》团体标准第三次研讨会在杭州总部顺利召开。本次会议采取实地调研+座谈研讨的形式举行,来自中国城市科学研究会、全国智标委、清华大学合肥公...
岚图高管称把AI使用率纳入KPI考核 汽车拥抱AI时代来了!
2026-04-17
write_ad("menu_tags_up_button"); CNMO_AD.init();...
与众08发布 支持小鹏VLA端到端领航辅助 22.99万元起售
2026-04-17
write_ad("menu_tags_up_button"); CNMO_AD.init();...
曝豆包大模型车载座舱方案进入2.0阶段 千问是竞争对手
2026-04-16
write_ad("menu_tags_up_button"); CNMO_AD.init();...
小米人形机器人消失4年回归 CEO雷军晒技术新进展
2026-04-16
write_ad("menu_tags_up_button"); CNMO_AD.init();...
AI开始“自我进化”!MiniMax推出全球首个云端沙箱MaxHermes
2026-04-16
write_ad("menu_tags_up_button"); CNMO_AD.init();...
大众ID.3 Neo全球首发:续航超600公里 实体按键回归
2026-04-16
write_ad("menu_tags_up_button"); CNMO_AD.init();...
浏览更多
增长16.6%!湖南外贸一季度“开门红” 经济要闻 华声经济
2026-04-18
华声在线4月17日讯(全媒体记者 彭可心)长沙海关今天召开2026年一季度新闻发布会,今年一季度全省进出口1442.1亿元,同比增长16.6%,其中出口807.3亿元,增长6.3%;进口634.8亿元...
3月湖南CPI同比上涨1%,猪肉价格降幅达两位数 经济要闻 华声经济
2026-04-18
华声在线4月16日讯(全媒体记者 王亮)记者今天从国家统计局湖南省调查总队获悉,3月份湖南居民消费价格(CPI)同比上涨1.0%,是自去年10月份以来,连续第6个月上涨。具体来看,和百姓关切最大的食品...
在HTX存放资产安全吗?深度拆解:你的资产到底被存放在哪里?
2026-04-18
判断一个平台的资产储备是否安全,首先要了解的是你的资产被存放在哪里?以及平台是否有足够的保障资金供用户提取。这就涉及到储备金、冷钱包、保险基金、托管合作这四方面,下面我们根据实例一一来拆解。一、储备金......
祁零盆地“寻锰”取得重大突破 经济要闻 华声经济
2026-04-17
通讯员 颜玲利 余艳 全媒体记者 于淼4月16日,走进湖南永州祁零盆地锰矿勘查矿区,钻塔巍然矗立,机器运转不息,灰黑色的锰矿石在阳光下泛着金属光泽。自2024年10月全国锰矿大会在永州召开以来,在中国...
AI智能战略广交会全球首发!奥克斯空调全球化再次进阶领跑
2026-04-17
第139届广交会,不仅释放中国外贸的蓬勃活力,承载中国家电产业向全球价值链高端跃升的使命,更见证奥克斯空调AI智能战略首次面向全球客商首发,推动奥克斯空调全球化市场进阶再领航,谱写一曲由奥克斯空调AI......
湖南积极应对强降雨,目前全省水势平稳 经济要闻 华声经济
2026-04-17
华声在线4月16日讯(全媒体见习记者 杨建建 记者 奉永成 通讯员 范警元)4月14日8时至16日8时,省内发生一轮较强降雨过程,全省平均降水量27.9毫米,156座水库溢洪。全省各级各部门积极行动,...
“师带徒”倾囊相授,山南市干部人才在湘开展跟班锻炼 经济要闻 华声经济
2026-04-17
华声在线4月15日讯(全媒体记者 郑旋 通讯员 李畅 万航海 郭晴萱)近日,西藏山南市第一批8名优秀年轻干部抵湘,在湖南省对口援派单位开展为期5个月的跟班锻炼。此次选派,是湘藏两地深化对口支援机制、创...
局地大暴雨!需重点防范山洪灾害与中小河流洪水 经济要闻 华声经济
2026-04-16
华声在线4月14日讯(全媒体见习记者 杨建建 记者 奉永成)据省气象、水文部门最新预报,4月14日晚至16日白天,湘中偏南地区将出现一轮强降雨天气过程,部分地区大到暴雨,局地有大暴雨;16日晚至17日...
强降雨过程持续 湖南部署堤防水库清基扫障 经济要闻 华声经济
2026-04-15
华声在线4月14日讯(全媒体见习记者 杨建建 记者 奉永成)今天,湖南省应急委员会办公室发布最新汛情通报。4月13日8时至14日8时,全省普降小到中雨,局地大到暴雨。永州1市3县(道县、江永、新田)的...
北京至怀化、湘潭至北京、石门至怀化……4月15日起,长沙火车站新增4趟普速列车 经济要闻 华声经济
2026-04-15
华声在线4月14日讯(全媒体记者 于淼 通讯员 潘梦冉)自4月15日零时起,全国铁路将执行二季度列车运行图。记者从长沙火车站获悉,此次调图后,长沙火车站每日开行动车组列车314列,其中始发129列;开...
岳阳活鱼首次“游”进香港 经济要闻 华声经济
2026-04-15
华声在线4月13日讯(全媒体记者 彭可心 通讯员 王伊婷)4月13日,产自岳阳东洞庭湖的4吨鲜活雄鱼经岳阳海关检验检疫合格,启运发往香港。这是岳阳洞庭湖活鱼首次出口。出口商湖南君山生态渔业集团有限公司...
浏览更多
三亚天涯区推出公办幼儿园延时托管服务收费标准每人每天10元/小时
2026-04-18
近日,海南省三亚市天涯区教育局出台公办幼儿园延时托管服务方案,面向有需求的在园幼儿提供课后托管服务,破解家长接送难题。 方案明确,延时托管坚持自愿参与、公益普惠原则,服务结束时间原则上不早于17时30分,由园内教职工为主承担服务,可吸纳具......
广西中医药产业高质量发展三年行动方案发布力争2028年全产业链总产值突破
2026-04-18
广西中医药产业高质量发展三年行动方案发布力争2028年全产业链总产值突破1100亿元 记者从自治区中医药局获悉,《广西中医药产业高质量发展三年行动方案》于日前正式发布,锚定“转型跨越”核心目标,规划四大专项行动,通过三年攻坚,推动中医药产......
渤海银行:以“全优”答卷诠释金融担当服务民营经济跑出加速度
2026-04-18
近日,中国人民银行公布2025年四季度金融服务民营经济效果评估结果,渤海银行在23家参评银行中再次获评优秀。至此,渤海银行在2025年全年四个季度评估中均获评优秀,成为同业中唯一实现季度“全优”的银行。 这份成绩单,既是渤海银行总行党委坚......
商保创新药支付闯关:医院落地难险企定价难
2026-04-17
救命药就在眼前,钱包却难以承受。CAR-T疗法、罕见病用药动辄数十万上百万,无数重症患者被困在“有药可用”与“无钱可付”的夹缝中,该如何提升创新药可及性? 4月14日,国务院办公厅发布《关于健全药品价格形成机制的若干意见》,其中提到,完善......
中工智库沙龙·生成式CAD模型首版次工业软件研讨会在京成功举办
2026-04-17
在“十五五”数字中国建设与智能制造深入推进的大背景下,AI与CAD深度融合,正彻底改写传统设计范式和商业逻辑,打通设计、仿真、制造、服务全链路数据闭环,推动中国工业设计从数字化迈向数智化,为国产工业软件突破国际垄断、实现换道超车打开全新机遇......
走进中国乡村新疆“淘宝村”:电商“牵线”激活乡村经济
2026-04-16
题:新疆“淘宝村”:电商“牵线”激活乡村经济 作者苟继鹏 位于乌鲁木齐市北郊的米东区芦草沟乡人民庄子村,是当地有名的“淘宝村”。电商“牵线”,让来自沿海地区的海鲜与新疆干果汇集于此,达成海鲜入疆,干果出疆。 村民王松敏自2019年开始......
烧烤摊烟火里的母爱
2026-04-16
夜幕降临,临夏州广河县兴达花园小区门口的暖黄灯光如期亮起。“燕子烧烤”的摊位前,马晓燕正熟练地翻动着烤架,滋滋作响的烟火升腾而起,裹挟着肉香飘向街巷深处。 这位平凡的回族女性,靠着一双手撑起烧烤摊,用一部手机摸索自媒体运营,所有的奔波与坚......
聚“椒”辣产业做好“辣”文章——全国第二大冬种辣椒“南菜北运”生产基地核
2026-04-16
聚“椒”辣产业做好“辣”文章——全国第二大冬种辣椒“南菜北运”生产基地核心产区探访 如果用一个字概括钦州市钦南区辣椒产业,那便是“丰”。 这是产量之丰:2025年种植面积达10.05万亩、产量19.51万吨、产值7亿元;这更是富民之丰:......
沪市并购重组进入业绩兑现期:去年累计交易金额超2300亿
2026-04-16
沪市并购重组正加速迈入业绩兑现阶段。 数据显示,2025年全年,沪市累计实施完成重大购买类重组项目约27单,交易金额超2300亿元,产业并购占比超过70%。 市场人士表示,随着包括*ST松发、国泰海通(601211)等在内的一批项目实施......
泰州市姜堰区蒋垛镇:筑牢人民防线,维护国家安全
2026-04-15
近日,泰州市姜堰区蒋垛镇围绕“筑牢人民防线,维护国家安全”主题,精心组织开展系列宣传教育活动,推动国家安全理念深入基层、浸润人心。 校园课堂启心智,国安种子植心田 活动首站走进蒋垛小学,为青少年带来一堂生动的国家安全启蒙课。镇司法所所长......
近一个月上市公司举办1220场调研活动
2026-04-15
投资者希望面对面交流 在当前复杂多变的投资环境下,真实、稳健且可验证的业绩表现,成为投资者调研中首要关注的问题。相较于财报披露的静态数据,投资者更希望通过与上市公司管理层面对面交流,深入核实业绩增长的核心驱动因素、盈利质量,以及预判增长的......
浏览更多
最新文章
迎接五一假期来临,长沙太平街小吃美食指南:带娃必吃的3家店
2026-04-18
三亚天涯区推出公办幼儿园延时托管服务收费标准每人每天10元/小时
2026-04-18
捷达发布JETTA X概念车预告 大众加码10万级新能源市场
2026-04-18
@2026北京国际车展,东软邀您莅临共鉴!
2026-04-18
2026年在汉诺威开办板材工厂需要满足哪些条件
2026-04-18
增长16.6%!湖南外贸一季度“开门红” 经济要闻 华声经济
2026-04-18
广西中医药产业高质量发展三年行动方案发布力争2028年全产业链总产值突破
2026-04-18
小米汽车变动:胡峥楠出任小米集团副总裁、汽车部CTO
2026-04-18
热门资讯
从检测到入住:2026主流除甲醛产品深度评测+全流程科学治理方案
2026-03-30
媒体稿件发布,助您拓展知名度!
2023-11-03
亚马逊Ring推出其首款流动监控车:正式进军可移动安防市场,售5000美元
2026-01-11
前11个月湖南“新三样”出口增长八成,湘西州、邵阳成“黑马” 经济要闻 华声经济
2025-12-26
从软件定义产品到软件定义系统:开启智能时代的变革之旅
2025-06-21
拆解23+品牌后,我们发现了左右趋势潮向的关键
2025-01-18
推荐阅读
友情链接